










¥235,730(税込)
希望小売価格:¥250,000
0ポイント獲得できます
オーバーマウントタイプ新登場
ステンレスにファインセラミック加工を施した人気のカラーシンクCOMO。
図面ダウンロード 排水部品詳細
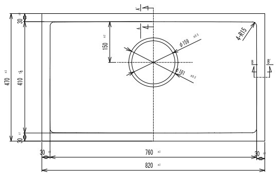
外形寸法:W820xD470xH195(mm)
内形寸法:W760xD410xH190(mm)
仕様:カラーステンレス SUS304 t=1mm セラミックカラー仕上
静音処理:FS静音処理済
排水部品:オプションにてご選択ください。※写真のステンレス排水口プレートはオプションです。
標準納期:都度確認(※2)
(※1)排水口径をご確認ください。Φ115(116)・Φ180(181)
(※2)ご注文後、最短納期のご連絡を差し上げます。
【DANKE ブラック/ダークブラウン について】
通常の色よりもキズが目立ちやすい色となっている為、キッチンシンクマットのご使用を推奨しております。
「ステンレスにガラスコート」
という発想が生み出す最高の快適性
徹底した品質管理により約100ミクロンのガラス層の形成を実現しました。表面は強度を持たせキレイが長く続くほか、ステンレスの弾力性は食器の破損リスク軽減につながります。


![]()
COMOシンクは、研磨粒子つきナイロンたわしが使えるのでお手入れが簡単です。(研磨粒子つきナイロンたわしは人造大理石製カウンターには、使用しないで下さい。研磨剤により表面が粗くなります。)

| 汚れ程度 | 日々のお手入れ | 頑固な汚れ | さらに頑固な汚れ | 染色 |
|---|---|---|---|---|
| 中性洗剤で落ちる汚れ | 油汚れ | 水あか、油よごれなど | カレー、タパスコなど | |
| COMO | 中性洗剤 | クリームクレンザー | 染色されない | |
| スポンジ ナイロンたわし | ナイロンたわし | |||
| ステンレス | 中性洗剤 | クリームクレンザ一、水 | クリームクレンザー | 染色されない |
| スポンジ | ||||
| 人造大理石 | 中性洗剤 | クリームクレンザー、水 | ||
| スポンジ | メラミンスポンジ | |||

COMOカラーシンクの品質特徴である【ステンレスよりはるかに硬く、鋳物ホーローと比べてもさらに硬いガラス質】という技術は平成21年に特許を所得。「防汚製品・耐油汚れの評価方法」は独自性のある独自性のある技術として認められました。
高品質をまもり、純日本製を求めるお客様のために。海外から輸入される人造大理石製シンクと違い、‘MADEIN JAPAN'です。
ナイロンたわし摩耗検査機(社内規格)
スコッチブライト(研磨粒子っきナイロンたわし)を直径7cmの平面に取り付け、10kgの鍾を載せて、ストローク10cm、1回/秒で5000往復する。テストピースは10cmX15cmの平板として、磨耗する減量値を調べる。
